Telefone: +55 35 3197-0045
E-mail:
atendimento@lsse.com.br
facebook
instagram
whatsapp
Início
A LS
Portfólio
Nosso trabalho
Energia Solar
Divisão Industrial
Clientes
Projetos
Quem somos
Conheça
Nossa loja
Onde estamos
Projeto 05/22
Poços de Caldas/MG
Portfólios
Fotos
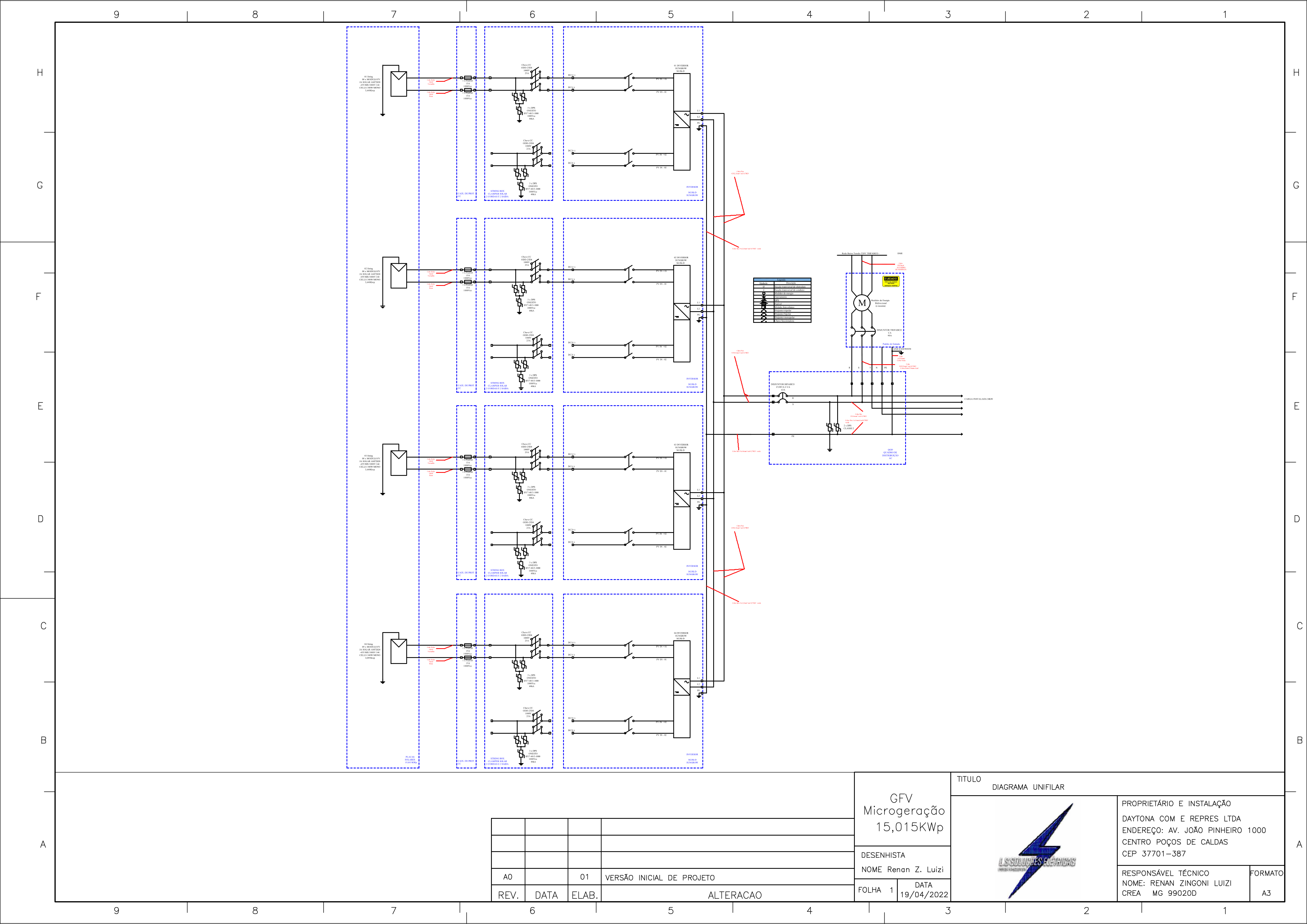
Diagrama
unifilar
Planta
localização
Localização
Projeto
Detalhes
Descrição
Projeto, instalação, comissionamento e aprovação do sistema junto a concessionária
cliente
Daytona Com. e Repres. Ltda
local da instalação
Poços de Caldas/MG
Data
10/05/2022
Potência gerada
15.015 Wp
Área dos módulo fotovoltaicos
66m
2
Número de strings
4
Número de módulos por arranjo
8,8,8 e 9
Geração media
1.900 kw.h mês